四虎影视在线影院在线观看免费视频丨蜜桃精品成人影片丨老熟妇乱子伦牲交视频丨国产情侣激情在线对白丨日本无乱码高清在线观看

步進電機

步進驅動器
電話:15002093712
當前位置:首頁>>新聞中心>>行業新聞
新聞中心
產品中心
聯系我們

深圳市東么川伺服控制技術有限公司

電話:13316379101

郵箱:1355229533@qq.com

地址:深圳市龍華區民治街道樟坑社區青創城A棟B502

130MM三相步進電機_130三相步進電機接線圖、安裝


130mm三相混合式步進電機接線圖
130MM三相混合式步進電機技術參數

項目 技術參數
步距角 1.2°
步距角精度 ±5%(整步,空載)
電阻精度 ±10%(@20°)
電感精度 ±20%(1KHz)
溫升 80 ℃ Max.(額定電流,2相通電)
環境溫度 -20℃~﹢50℃
絕緣電阻 100MΩMin.500VDC
耐壓 500VAC一分鐘
徑向間隙 0.025mmMax.(450g負載)
軸向間隙 0.1-0.3mmMax.(450g負載)

130MM三相混合式步進電機型號參數:
型號 步距角
(度)
額定電流
(A)
相電阻
(Ω)
相電感
(mH)
保持轉矩
(N.M)
轉子慣量
(g.c㎡)
重量
(kg)
機身長
(mm)
軸徑
(mm)
引線數
1303S15 1.2 6.90 0.88 3.70 15 20000 11.0 154.0 24 平鍵8x30
1303S20 1.2 6.90 1.10 4.90 20 25700 14.1 183.0 24 平鍵8x30
1303S28 1.2 6.90 2.80 17.90 28 33970 17.2 215.0 24 平鍵8x30
1303S35 1.2 6.90 3.30 21.52 35 41240 19.8 247.0 24 平鍵8x30
1303S50 1.2 6.90 4.20 28.90 50 55780 25.0 311.0 24 平鍵8x30

注:以上為步進電機常用型號,其它型號可根據客戶要求定制
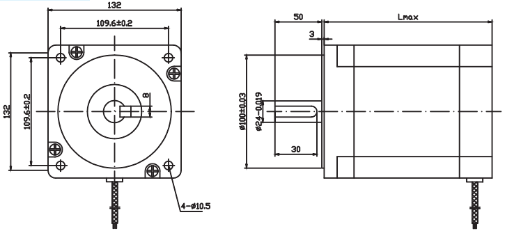
130MM三相混合式步進電機外形尺寸
130mm三相步進電機外形尺寸
接線方式
序號 1 2 3 4 備注
相序 U V W GND 四芯插座

130mm三相混合式步進電機接線圖
130mm三相混合式步進電機接線圖
深圳市東么川伺服控制技術有限公司是一家專門從事步進電機、無刷電機、伺服電機、減速機、步進電機驅動器、直流無刷驅動器等伺服控制產品技術研發、生產和銷售的高新技術廠家,公司擁有一支勇于創新、追求卓越、經驗豐富的研發專家團隊專注于數字馬達控制。經過多年的潛心研發,無論在硬件設計還是軟件核心算法技術上取得了重大突破,成為行業少數擁有真正自主技術核心的公司,其中,數字式步進驅動器FD系列及DM系列為自主核心技術成功應用的DSP技術產品,FD系列產品在低速,中速,高速性能方面優于業內各家數字式產品。 



    產品推薦:兩相步進電機



    產品推薦:無刷電機



    產品推薦:兩相步進驅動器



    產品推薦:直流無刷驅動器