四虎影视在线影院在线观看免费视频丨蜜桃精品成人影片丨老熟妇乱子伦牲交视频丨国产情侣激情在线对白丨日本无乱码高清在线观看

步進電機

步進驅動器
電話:15002093712
當前位置:首頁>>解決方案>>電子領域
解決方案
產品中心
聯系我們

深圳市東么川伺服控制技術有限公司

電話:13316379101

郵箱:1355229533@qq.com

地址:深圳市龍華區民治街道樟坑社區青創城A棟B502

運載小車配套推薦750W伺服套裝配精密減速機


客戶自行研發的動力小車,之前選用的86步進電機套裝配16速比行星減速機,電機用在小車底盤,做四輪行走。現有的配置能夠實現車輛行走,但是在差速轉向時步進電機帶不動,完成不了動作。針對客戶目前遇到的問題,我們為客戶推薦伺服套裝配精密減速機。

動力小

伺服電機推薦80伺服,750W ,2.39NM ,3000轉,電機參數如下:

伺服電機推薦80伺服

伺服電機推薦80伺服


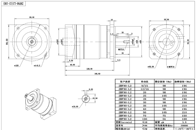
運載小車對于速度的要求不高,但需要有足夠的轉矩,為此需要在伺服電機上加裝減速機已達到降低速度增加扭矩的效果,為客戶選配20速比精密減速機,輸出轉速為:150轉/分鐘;輸出扭矩約為43NM;

精密行星減速機內部齒輪采用優質低碳合金鋼,經滲碳淬火,研磨跑合,具有體積小,重量輕,承載能力高,使用壽命長,運轉平穩,噪聲低,輸出扭矩大,速比大,效率高,性能安全的特點。




    產品推薦:兩相步進電機



    產品推薦:無刷電機



    產品推薦:兩相步進驅動器



    產品推薦:直流無刷驅動器