四虎影视在线影院在线观看免费视频丨蜜桃精品成人影片丨老熟妇乱子伦牲交视频丨国产情侣激情在线对白丨日本无乱码高清在线观看

步進電機

步進驅動器
電話:15002093712
當前位置:??首頁>>產品中心>>三相步進電機
產品中心
解決方案
聯系我們

深圳市東么川伺服控制技術有限公司

電話:13316379101

郵箱:1355229533@qq.com

地址:深圳市龍華區民治街道樟坑社區青創城A棟B502

110mm系列混合式步進
型號:110mm 名稱:110mm系列混合式步進 簡介:

110mm系列三相混合式步進電機,基于業界先進的磁路設計方案。在選材上,采用耐高溫永磁體和優質冷軋鋼片制造,選用日本NMB或NSK軸承,電機表面經噴塑或鋁殼密封處理。

  • 規格參數
  • 產品特點
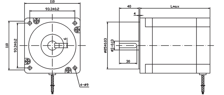
  • 產品尺寸圖
  • 匹配產品
  • 應用領域
  • 資料下載
110mm混合式步進電機
項目技術參數
步距角1.2°
步距角精度±5%(整步,空載)
電阻精度±10%(@20°)
電感精度±20%( 1KHz)
溫升80℃Max.(額定電流,2相通電)
環境溫度-20°~ + 50℃
絕緣電阻100MΩMin.500VDC
耐壓500VAC一分鐘
徑向間隙0.6mmMax.(450g負載)
軸向間隙0.8 mmMax.(450g負載)

 
型號參數:

型號步距角(度)額定電流(A)相電阻
(Ω)
相電感
(mH)
保持轉矩
(N.M)
轉子慣量
(g.c㎡)
重量(kg)機身長
(mm)
軸徑
(mm)
引線數
1103S081.26.901.254.49860005.0124.519平鍵6x30
1103S121.26.901.898.341297206.6148.019平鍵9x30
1103S161.26.901.898.7316135609.0182.019平鍵6x30
1103S201.26.901.897.26201740011.1216.019平鍵6x30


110mm三相步進電機該系列電機具有輸出轉矩大、低溫升、低噪聲、低振動的特點,可靠性和穩定性高。電機運行平穩,無明顯的振蕩區,可滿足自動化行業不同工況的使用。

●雙極性 1.2
●機座號:110
●保持轉矩:8.0~20.0N.M
●輸出轉矩大 ,高轉速
●電機發熱小,噪音低,效率高
●高速停止平穩快速,無零速振蕩運行平穩,振動噪聲小
●響應速度快,適合頻繁啟停的場合



    相關產品:兩相步進電機



    相關產品:無刷電機



    相關產品:兩相步進驅動器



    相關產品:產品中心