四虎影视在线影院在线观看免费视频丨蜜桃精品成人影片丨老熟妇乱子伦牲交视频丨国产情侣激情在线对白丨日本无乱码高清在线观看

步進電機

步進驅動器
電話:15002093712
當前位置:首頁>>新聞中心>>行業新聞
新聞中心
產品中心
聯系我們

深圳市東么川伺服控制技術有限公司

電話:13316379101

郵箱:1355229533@qq.com

地址:深圳市龍華區民治街道樟坑社區青創城A棟B502

步進電機的功率驅動電路分類及功能介紹


  按照電流流過繞組的方向是單向還是雙向,功率放大電路可分為:

  單極性驅動電路:適用于反應式步進電動機

  雙極性驅動電路:適用于永磁式和混合式步進電動機

  一:單極性驅動電路

  1、單電壓驅動

  R1、R2:限流、減小通電和續流的時間常數

  特 點:線路簡單/功放元件少/成本低/效率低

  

  步進電動機單電壓驅動電路

  2、雙電壓驅動

  1) 雙電壓法:在低頻段使用較低的電壓驅動,在高頻段使用較高的電壓驅動

  低頻:給T1低電平®關斷。繞組由低電壓VL供電,控制脈沖通過T2使繞組得到低壓脈沖。

  高頻:給T1高電平®導通。D2反向截止,切斷低電壓電源VL,電動機繞組由高電壓VH供電、控制脈沖通過T2,使繞組得到高壓脈沖。

  

  雙電壓驅動原理

  特點

  保證了低頻段仍然只有單電壓驅動的特點。在高頻段具有良好的高頻性能,但仍沒擺脫單電壓驅動的弱點,限流電阻仍然會產生損耗和發熱。

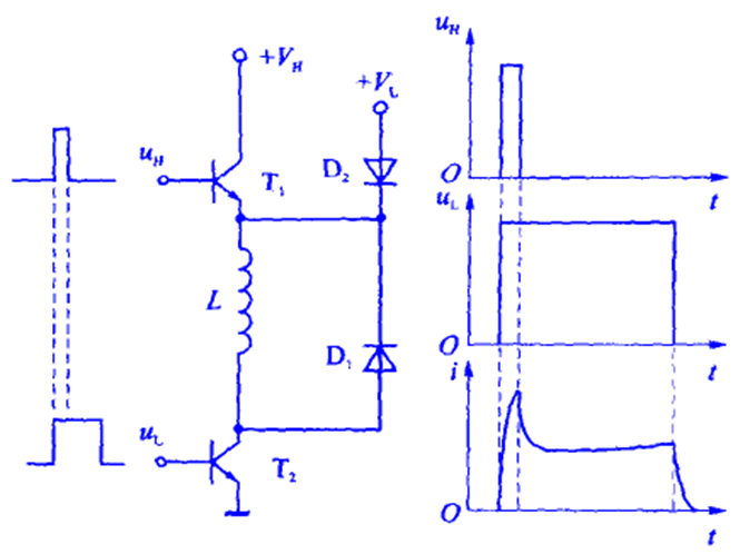
  2)高低壓法:不論電動機工作頻率如何,在繞組通電開始用高壓供電,使繞組中電流迅速上升,而后用低壓來維持繞組中的電流。

  高低壓開關脈沖同時起步,高壓脈沖很窄

  開始時T1T2同時導通, VH供電,i迅速上升VH很快關斷,VL繼續供電。

  

  高低壓驅動原理

  高低壓驅動法是目前普遍應用的一種方法。由于這種驅動在低頻時電流有較大的上沖,電動機低頻噪聲較大。存在低頻共振現象,使用時要注意。

  3、 斬波驅動

  ui為低電平時Tl和T2兩個開關管均截止;

  ui為高電平時,T1和T2兩個開關管均導通,電源向繞組供電。

  

  斬波驅動電路

  由于繞組電感的作用,R上的電壓逐漸升高,當超過給定電壓uc時,比較器輸出低電平®與門輸出低電平® T1截止®電源被切斷;當取樣電阻上的電壓小于uc時,比較器輸出高電平,與門也輸出高電平,T1又導通,電源又開始向繞組供電。

  特 點

  T2每導通一次,Tl導通多次,繞組電流為鋸齒波。

  在T2導通期間,電源是脈沖式供電的,所以提高了電源效率,并且能有效地抑制共振。由于無需外接限流電阻所以提高了高頻性能,但是,由于電流波形為鋸齒形,將會產生較大的電磁噪聲。

  斬波供電只需單電源。

  

  斬波供電的電流波形

  二:雙極性驅動電路

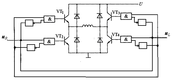
  1、H橋驅動電路

  

  使用H橋驅動,每相繞組必須用一個H橋。當電機的相數較多時,所用的開關管較多,成本較高。為此,可采用多相橋式驅動電路,使開關管的數目減少一半。

  2、五相橋驅動五相混合式步進電動機



    產品推薦:兩相步進電機



    產品推薦:無刷電機



    產品推薦:兩相步進驅動器



    產品推薦:直流無刷驅動器