四虎影视在线影院在线观看免费视频丨蜜桃精品成人影片丨老熟妇乱子伦牲交视频丨国产情侣激情在线对白丨日本无乱码高清在线观看

步進電機

步進驅動器
電話:15002093712
當前位置:首頁>>新聞中心>>行業新聞
新聞中心
產品中心
聯系我們

深圳市東么川伺服控制技術有限公司

電話:13316379101

郵箱:1355229533@qq.com

地址:深圳市龍華區民治街道樟坑社區青創城A棟B502

n95口罩機步進電機、口罩機伺服驅動器應用方案


  伴隨著口罩機供應量的暴增,相匹配的n95口罩機步進電機和伺服驅動器一樣也是上升很多,步進電機早就普遍使用在口罩機領域,有很完善的技術應用實施方案!

銷售市場口罩機型號規格類型有很多,步進電機生產商為您做了歸納如下所示:

口罩機設備類型:杯型口罩機,無紡織布平面口罩機,N95口罩機,3M9001/9002折疊式口罩機,鴨嘴型口罩機,立體3m防塵口罩機等。

 

 

 

口罩機步進電機

 

依照平面口罩機系列產品耳帶的焊接方式和操作方法不同可以分成:

n95口罩機步進電機

 

內耳帶口罩機、外耳帶口罩機、綁帶式口罩機生產這三種平面口罩都須要采用口罩本體機,它是組成平面口罩必不可少的一部分。

生產效率:

平面口罩打片機每分一百二十-一百五十片,耳帶自動焊接機四十-五十片。生產線設備中,最主要的是須要不同的口罩打片機(亦稱口罩一體機),而根據生產口罩的形狀、材質,主要有3種。

一拖二平面口罩機外觀圖:

口罩機步進電機

口罩設備并不是一臺的機器設備,它須要幾臺機器設備的相互配合進行各種各樣不同的工序,口罩生產工藝流程是將多層無紡織布通過熱壓、折疊成型,超聲波焊接,廢料切除,耳帶鼻梁條焊接等工序制造出具有相應過濾性能的各種口罩。

N95口罩機步進驅動器搭配

名稱:低壓兩相步進驅動器DMA860H

型號:
DMA860H

低壓兩相步進驅動器DMA860H

驅動器功能說明:

驅動器功能

操作說明

 

微步細分設定

  由SW5-SW8四個撥碼開關來設定驅動器微步細分數,其共有15檔微步細分。用戶設定微步細分時,應先停止驅動器運行。具體微步細分數的設定,請驅動器面版圖說明。

輸出電流設定

  由 SW1-SW3 三個撥碼開關來設定驅動器輸出電流,其輸出電流共有8檔。具體輸出電流的設定,請驅動器面版圖說明。

 
        自動半流功能

  用戶可通過SW4來設定驅動器的自動半流功能。off表示靜態電流設為動態電流的一半,on表示靜態電流與動態電流相同。一般用途中應將 SW4 設成 off,使得電機和驅動器的發熱減少,可靠性提高。脈沖串停止后約0.4秒左右電流自動減至一半左右(實際值的60%),發熱量理論上減至36%。

信號接口

  PUL+和 PUL-為控制脈沖信號正端和負端;DIR+和DIR-為方向信號正端和負端;ENA+和 ENA-為使能信號的正端和負端。

電機接口

  A+和 A-接步進電機A相繞組的正負端;B+和B-接步進電機B相繞組的正負端。當A、B兩相繞組調換時,可使電機方向反向。

電源接口

  采用交流或直流電源供電,工作電壓范圍建議為:DC36-110VDC,或者AC20-AC90V, 電源功率大于300W。

 
指示燈

  驅動器有紅綠兩個指示燈。其中綠燈為電源指示燈,當驅動器上電后綠燈常亮;紅燈為故障指示燈,當出現過壓、過流故障時,故障燈常亮。故障清除后,紅燈滅。當驅動器出現故障時,只有重新上電和重新使能才能清除故障。

 

安裝說明

  驅動器的外形尺寸為:151×97×48mm,安裝孔距為143mmmm。既可以臥式和立式安裝,建議采用立式安裝。安裝時,應使其緊貼在金屬機柜上以利于散熱。

工作電流設定:

輸出電流

參考電流

SW1

SW2

SW3

2.40A

1.70A

on

on

on

3.08A

2.18A

off

on

on

3.77A

2.66A

on

off

on

4.45A

3.15A

off

off

on

5.14A

3.63A

on

on

off

5.83A

4.12A

off

on

off

6.52A

4.61A

on

off

off

7.20A

5.10A

off

off

off 

微步細分設定:

步數/轉

SW5

SW6

SW7

SW8

400

off

on

on

on

800

on

off

on

on

1600

off

off

on

on

3200

on

on

off

on

6400

off

on

off

on

12800

on

off

off

on

25600

off

off

off

on

1000

on

on

on

off

2000

off

on

on

off

4000

on

off

on

off

5000

off

off

on

off

8000

on

on

off

off

10000

off

on

off

off

20000

on

off

off

off

25000

off

off

off

off

名稱:低壓兩相DMA872H
型號:
DMA872H

簡介:DMA872H采用最新 32位處理器為運算核心,多種電流與細分設置,能夠滿足大多數場合的應用需要。由于采用內置微細分技術,即使在低細分的條件下,也能夠達到高細分的效果,低中高速運行都很平穩,噪音超小。驅動器具有電機參數學習及控制參數自動整定,及運行過程微調自適應參數的變化功能,能夠針對不同電機自動生成最優運行參數,最大限度發揮電機的性能。
低壓兩相DMA872H
工作電流設定:

輸出電流

參考電流

SW1

SW2

SW3

2.40A

1.70A

on

on

on

3.08A

2.18A

off

on

on

3.77A

2.66A

on

off

on

4.45A

3.15A

off

off

on

5.14A

3.63A

on

on

off

5.83A

4.12A

off

on

off

6.52A

4.61A

on

off

off

7.20A

5.10A

off

off

off 

微步細分設定:

步數/轉

SW5

SW6

SW7

SW8

400

off

on

on

on

800

on

off

on

on

1600

off

off

on

on

3200

on

on

off

on

6400

off

on

off

on

12800

on

off

off

on

25600

off

off

off

on

1000

on

on

on

off

2000

off

on

on

off

4000

on

off

on

off

5000

off

off

on

off

8000

on

on

off

off

10000

off

on

off

off

20000

on

off

off

off

25000

off

off

off

off


平面口罩機步進驅動器搭配

名稱:低壓兩相DM545A

型號:DM545A

簡介:DM545A型驅動器,具有更低的電機發熱、運行噪聲和更高的平穩性,以及更低的成本,主要驅動42、57型兩相混合式步進電機。其微步細分數有15種,最大步數為25000Pulse/rev;其工作峰值電流范圍為1A-4.2A,輸出電流共有8檔,電流的分辨率約為0.45A;具有自動半流,過壓和過流保護等功能。本驅動器為直流供電,建議工作電壓范圍為24VDC-36VDC,電壓不超過50VDC,不低于20VDC

低壓兩相DM545A

●智能電流控制,提高動態Q值,使電機發熱大為降低
●抗共振技術,輕松突破中速共振區,中高速特性良好
●改進型PWM控制算法使電機及驅動器發熱量更小
●全流切換到半流無明顯的噪音與振動
●可驅動 4,6,8 線兩相步進電機
●光隔離差分信號輸入
●脈沖響應頻率最高可達 200KHz
●電流設定方便
●具有過壓、欠壓、短路等保護功能驅動器功能說明:

電流設定:

輸出電流 參考電流 SW1 SW2 SW3
1.00A 0.71A on on on
1.46A 1.04A off on on
1.91A 1.36A on off on
2.37A 1.69A off off on
2.84A 2.03A on on off
3.31A 2.36A off on off
3.76A 2.69A on off off
4.20A 3.00A off off off 

微步細分設定:

步數/轉 SW5 SW6 SW7 SW8
400 off on on on
800 on off on on
1600 off off on on
3200 on on off on
6400 off on off on
12800 on off off on
25600 off off off on
1000 on on on off
2000 off on on off
4000 on off on off
5000 off off on off
8000 on on off off
10000 off on off off
20000 on off off off
25000 off off off off
 

低壓兩相DM545A設計圖紙

名稱:低壓兩相DM542A
型號:DM542A
低壓兩相DM542A

工作電流設定:
輸出峰值電流 輸出參考電流 SW1 SW2 SW3
1.00A 0.71A on on on
1.46A 1.04A off on on
1.91A 1.36A on off on
2.37A 1.69A off off on
2.84A 2.03A on on off
3.31A 2.36A off on off
3.76A 2.69A on off off
4.20A 3.00A off off off
 
微步細分設定:
步數/轉 SW5 SW6 SW7 SW8
200 on on on on
400 off on on on
800 on off on on
1600 off off on on
3200 on on off on
6400 off on off on
12800 on off off on
25600 off off off on
1000 on on on on
2000 off on on off
4000 on off on off
5000 off off on off
8000 on on on off
10000 off on off off
20000 on off off off
25000 off off off off
 

n95口罩機、平面口罩機搭配步進電機:

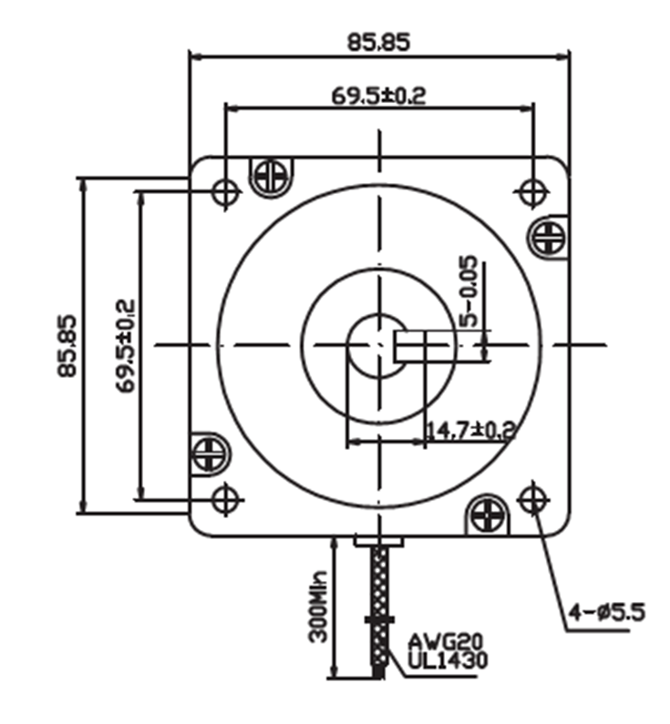
名稱:86mm兩相混合式步進電機

型號:
86mm

 

86mm兩相混合式步進電機

 

項目 技術參數
步距角 1.8°
步距角精度 ±5%(整步,空載)
電阻精度 ±10%(@20°)
電感精度 ±20%( 1KHz)
溫升 80℃Max.(額定電流,2相通電)
環境溫度 -20°~ + 50℃
絕緣電阻 100MΩMin.500VDC
耐壓 500VAC/Min
徑向間隙 0.02mmMax.(450g負載)
軸向間隙 0.08 mmMax.(450g負載)
徑向最大負載 220N(距法蘭面20mm)
軸向最大負載 60N
 型號參數:
型號 接線方式 步距角
(度)
額定電流
(A)
相電阻
(Ω)
相電感
(mH)
保持轉矩(N.M) 轉子慣量(g.c㎡) 機身長
(mm)
軸徑
(mm)
引線數
86HS33 串聯 1.8 1.98 2.60 15.60 3.30 1000 65 12.7 4or8
并聯 3.96 0.65 3.90
86HS45 串聯 1.8 3.00 1.30 12.00 4.50 1400 80 12.7 4or8
并聯 6.00 0.33 3.00
86HS85 串聯 1.8 3.00 1.80 24.00 8.50 2700 118 12.7or14 4or8
并聯 6.00 0.45 6.00
86HS12 串聯 1.8 2.95 2.92 34.70 12.00 4000 156 12.7or14 4or8
并聯 5.90 0.73 8.68
 

 

  東么川生產的步進驅動器,步進電機,步進電機伺服驅動器,N95口罩機步進電機、無刷電機,無刷電機伺服驅動器,被廣大廠家普遍使用,是優先采購的企業,被大家普遍的認可,在整個業界口碑良好,全系產品被普遍的用在,機器人領域,自動化設備,以及數控機床、醫療設備、紡織印刷、雕刻機、激光打標機、激光內雕機、電子設備、剝線機、包裝機械、廣告設備、貼標機、恒速技術應用、等多個領域,產品在噪音以及振動方面控制的非常好,和其他企業產品一對比優勢非常明顯。

 

 



    產品推薦:兩相步進電機



    產品推薦:無刷電機



    產品推薦:兩相步進驅動器



    產品推薦:直流無刷驅動器